How Much Energy Can You Harvest with a Battery-Less IoT System?

How Much Energy Can You Harvest with a Battery-less IoT System, and is it Enough?

09/23/2025 | Tristan Cool | 7 Min Read

Energy Harvesting is the process of capturing, transforming, and storing energy from various ambient sources like solar power, RF waves, and physical vibration. This technology plays an essential role in the foundation of ambient IoT, a new generation of ultra-low power connected devices that operate by drawing energy from their environment instead of relying on traditional batteries.

By eliminating the need for batteries, energy harvesting technologies are transforming IoT devices by improving scalability, extending the lifespan of devices, increasing reliability, and reducing maintenance and costs associated with frequent battery replacement. These advancements also contribute to a more sustainable future of IoT by significantly lowering the detrimental impact that batteries have on the environment.

Common applications suited for Energy harvesting include smart home devices like wireless switches and locks, smart buildings, asset tracking, smart metering, and factory automation.

Light-based energy harvesting through photovoltaic (PV) technologies is leading the way, thanks to its ease of integration, reliability, and consistent performance in both indoor and outdoor environments.


Challenges of Energy Harvesting

An estimated 15 billion batteries are discarded every year, creating a significant ecological footprint. Ambient IoT addresses this environmental impact as well as the logistical challenges of battery-powered devices. Harvesting energy and battery-less solutions reduces waste and enables longer device life, making it ideal for applications like asset tracking, smart agriculture, and industrial monitoring.

However, adopting energy harvesting technologies, particularly PV-based energy harvesting solutions, comes with its own challenges and requirements.

A typical light-based energy harvesting system should include four main components:

  • PV Cell: Converts light into electrical energy. The efficiency of this conversion depends on light intensity, angle, and cell material.
  • PMIC (Power Management IC): Regulates voltage, boosts power, and performs maximum power point tacking (MPPT) to optimize energy capture.
  • Energy - Storage: Stores harvested energy using supercapacitors, rechargeable batteries, or hybrid solutions. The choice depends on the application’s energy profile and duty cycle.
  • Load: The embedded system that consumes energy, such as a sensor node or wireless transmitter.

When designing these systems, it’s important to understand how energy flows from source to consumption, especially when relying on PV cells to power the IoT device. You need to know how much energy the PV cell generates under specific lighting conditions, how efficiently that energy is transferred and stored, and most importantly, whether it's enough to support your device’s workload and operation.

Here, we walk through how to evaluate each stage of energy flow, helping you answer the core question: can your energy budget support your use case?

We’ll also explore the architecture, energy flow, design trade-offs, and validation techniques for light-based energy harvesting systems, with a focus on practical tools like the Silicon Labs EFR32xG22E Energy Harvesting Explorer Kit and Qoitech’s Otii Ace Pro.


The Setup: Energy Harvesting Hardware


xG22-EK8200A

The xG22E Energy Harvesting Explorer Kit is designed to enable functionality and accelerate the development of energy-harvesting powered devices using the RF protocols Bluetooth Low Energy (LE) and Zigbee Green Power. Built on the Silicon Labs EFR32xG22E Explorer Board, it offers ultra-fast low-energy cold start and low-energy deep sleep wake-up, making it ideal for a multitude of energy-constrained applications. It includes three shields co-developed with industry leading PMIC provider e-peas that fit securely into the Explorer Kit Board, enabling evaluation of sources including PV cells.


BRD8201A - Dual Harvester Shield

This shield uses e-peas' latest and most advanced PMIC, the AEM13920, and allows developers to experiment with dual harvest sources simultaneously, debug standalone operation scenarios, and evaluate battery lifetime.


BRD8202A - Kinetic Button Shield equipped with BRD8206A - Kinetic button

This shield allows the demonstration of a specific application using a kinetic switch to power the wireless SoC. It’s dedicated for kinetic/pulse harvest applications and uses the e-peas AEM00300.


BRD8203A - Battery Shield

This shield allows for experimentation with alternative battery chemistries and supercapacitors.

Contents of EFR32xG22E Energy Harvesting Explorer Kit

The contents of EFR32xG22E Energy Harvesting Explorer Kit. The PV cell is a voltaic system P121 R1H, a PV cell designed for outdoor use. The energy storage is a Tecate 10F 3.8V Lithium supercapacitor.

Otii Ace Pro

The measurement setup consists of Otii Ace Pro units from Qoitech. The Otii Ace Pro is a comprehensive instrument designed for low-power and dynamic power profiling. With the addition of software toolboxes, it becomes a powerful tool for profiling, testing, and emulating batteries and energy harvesting systems. For this study, only the perpetual, free version of the Otii software was needed and used.


Setting Up the Measurements

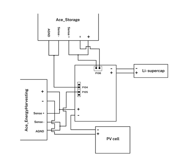
Two Ace Pros are set up: one in line with the PV cell to measure and profile the incoming energy flow and how the PMIC handles it, and the other in line with the energy storage, e.g. battery or super capacitor, to monitor how energy flows in and out of it, see Fig 1. An additional Otii Ace Pro can be set up to measure the pins P101 on the xG22-EK8200A board to evaluate the performance of the Silicon Labs chipset. For more details on the connection points, please see the user guide.

The settings used for both the Otii Ace Pros are in-line and 4-wire mode with Main current, voltage and power channels activated.

Schematics for Setup of Silicon Labs xG22-EK8300A with 2 Otii Ace Pros

Schematics for the measurement setup of Silicon Labs xG22-EK8200A with two Otii Ace Pros. The setup is scalable, depending on the number of components that need to be evaluated.

Light Energy Harvesting Evaluation

Light energy harvesting evaluation with Silicon Labs xG22-EK8200A with Qoitech’s Otii Ace Pro.

Energy Harvesting in Action


The Eenergy From PV Cell and PMIC Behavior

Let’s observe the energy output from the PV cell, which is being harvested by the e-peas AEM13920 energy harvesting. When observing the current and voltage measurements from the Otii Ace Pro (in this setup called Ace_EnergyHarvester), connected in line with the PV cell, you'll see frequent spikes, see Otii graph below. Zooming in on these reveals how the PMIC operates.

Each cycle begins with the PMIC temporarily disconnecting the energy harvester (EH) load. This brief pause allows it to measure the Open Circuit Voltage (Voc) of the EH. The measured Voc is then used to calculate the Maximum Power Point (MPP) — the voltage at which the EH operates most efficiently.

For many energy harvesters, the ratio between Voc and the MPP voltage remains constant, regardless of the illumination. In the case of the e-peas PMIC, this ratio is configurable between 35% and 85%, with the default setting at 75%. In the highlighted period in the data, the Voc is measured, and the PMIC then regulates the voltage to maintain at 75% of the Voc.

Cyclic Current and Voltage Behavior of PMIC and PV Energy Harvester

Cyclic current and voltage behavior of PMIC and PV energy harvester.


As light levels increase, the harvested energy also rises, corresponding to the updated Voc readings and - showcasing the PMIC’s dynamic response to changing environmental conditions, see below.

PMIC's Dynamic Response to the Increased Illumination


Energy Storage

By analyzing the current and voltage measurements from the Otii Ace Pro (in the setup called Ace_Battery), which monitors energy flowing into and out of the energy storage (battery), we can observe both the battery voltage and the direction of current flow. In this setup, a positive current indicates battery discharge, while a negative current indicates charging.

In the figure below, at the beginning of the highlighted section, the Silicon Labs chip wakes up and transmits data. During this activity, the average current is positive, indicating that the chip is drawing more power from the battery than the energy harvester supplies at that moment. However, when observing the entire period cycle of transmission and sleep, the overall current and energy values are negative, as seen in the whole highlighted section. This means the energy harvester supplies more energy than the chip consumes during idle time, allowing the battery to recharge. In this case, the system is self-sustaining.

Current and Voltage Behavior

Current and voltage behavior when the chipset wakes up and transmits the data.

The IoT Device Power Profile

Designing and optimizing a highly efficient energy harvesting system involves many variables. One of the most critical starting points is ensuring that the target device in itself is energy efficient. Consistent measurement and ongoing optimization throughout the development process are keys to success, - along with selecting low-power components that enable an efficient overall design.

The BRD8201A, a - dual harvester shield featuring the EFR32xG22E wireless MCUs, is one such component. As part of the EH kit, we give developers the opportunity to explore and evaluate its performance under real-world energy harvesting conditions.

In this setup, we analyzed its behavior using the Otii Ace Pro, which we’ve named Ace_IoT for this configuration. The results, shown in the figure below, display the current consumption of the Silicon Labs chip powered by energy harvesting.

During the active period, which occurs every 27 seconds, the average current consumption is approximately 160 µA. In sleep mode, the chip draws less than 300 nA on average, highlighting its suitability for ultra-low-power applications./p>

Current Consumption of BRD8201A

Current consumption of the BRD8201A - Dual Harvester Shield in sleep mode.

Silicon Labs' energy harvesting platform for EFR32xG22E wireless MCUs is optimized for ultra-low-power consumption. Measured specifications show that a cold boot from Power-on Reset requires just 150 µJ, while waking from deep sleep mode (EM4) consumes 17 µJ, enabling rapid task execution with minimal energy overhead. The platform employs precise energy budgeting techniques, balancing input and consumption in microjoules, and dynamically adapts firmware behavior based on available energy - modulating transmission frequency, payload size, and memory operations. This architecture supports sustained operation in energy-constrained environments, making it ideal for scalable Ambient IoT deployments.

There is a complete breakdown of this mechanism for IoT transmission optimization in this document resource page.


Summary: Battery-Less IoT is Here

This evaluation underscores the transformative potential of light-based energy harvesting in enabling battery-less IoT systems, particularly through the integration of Silicon Labs’ EFR32xG22E platform and Qoitech’s Otii Ace Pro measurement tools. By leveraging PV cells and advanced PMICs like the e-peas AEM13920, developers can design systems that dynamically adapt to environmental conditions, optimize energy capture through maximum power point tracking (MPPT), and maintain energy balance even in fluctuating light scenarios. The study’s setup, - featuring dual Otii Ace Pros to monitor both the energy input from the PV and the storage behavior, - provides a granular view of how energy flows through the system, revealing critical insights such as the chip’s ultra-low sleep current (<300 nA) and efficient wake-up energy consumption (17 µJ from EM4). These metrics highlight the feasibility of sustained operation in energy-constrained environments.

Moreover, the evaluation demonstrates that with proper profiling and design trade-offs, such systems can achieve self-sufficiency, as evidenced by the net-negative current during full transmission-sleep cycles. This not only validates the energy harvesting architecture’s viability but also emphasizes the importance of selecting low-power components and continuously optimizing firmware behavior based on real-time energy availability. The use of supercapacitors and hybrid storage solutions further enhances system resilience, especially during low-light periods. As Ambient IoT continues to gain traction, the insights and methodologies presented here serve as a practical blueprint for developers aiming to build scalable, sustainable, and maintenance-free IoT solutions. With tools like the xG22E Energy Harvesting Explorer Kit and Otii’s profiling suite, the future of battery-less IoT is not just promising, - it’s already within reach.

CATEGORIES:
Tristan Cool
Tristan Cool
Product Marketing Manager
Close
Loading Results
Close